Обзор MSI B850M GAMING PLUS WIFI6E: доступная microATX-плата для Ryzen 5 и Ryzen 7
06-11-2025
В этом материале мы познакомимся с материнской платой на базе современного чипсета AMD B850, представляющей очень популярный ценовой сегмент – $150-200.
Если заглянуть в спецификацию MSI B850M GAMING PLUS WIFI6E, то определенные проявления экономии становятся заметны сразу. Так, слот для видеокарты работает в режиме PCI Express 4.0 x16, а не в новейшем PCI Express 5.0 x16; беспроводной модуль поддерживает стандарт Wi-Fi 6E вместо Wi-Fi 7; а роль аудиокодека выполняет достаточно базовое решение. Впрочем, есть еще один аспект экономии, менее очевидный на первый взгляд, но не менее важный, чем все вышеупомянутые вместе взятые. О нем и других возможностях платы, которых также немало, расскажем далее в материале.
Спецификация
|
Модель |
MSI B850M GAMING PLUS WIFI6E |
|
Чипсет |
AMD B850 |
|
Процессорный разъем |
AMD Socket AM5 |
|
Поддерживаемые процессоры |
AMD Ryzen 7000, 8000 и 9000 |
|
Поддержка памяти |
4 x DIMM-слоты с поддержкой максимум 256 ГБ памяти со скоростью до DDR5-8200+ МТ/с |
|
Слоты расширения |
1 x PCI Express 4.0 x16 (x16, зависит от используемого процессора) 2 x PCI Express 3.0 x1 (x1) |
|
Дисковая подсистема |
1 x M.2 Socket 3 (M.2 2260-2280; PCIe 5.0 x4, зависит от используемого процессора) 1 x M.2 Socket 3 (M.2 2260-2280; PCIe 4.0 x4, зависит от используемого процессора) Поддержка RAID 0/1 для M.2-накопителей 4 x SATA 6 Гбит/с Поддержка RAID 0/1/10 для SATA-устройств |
|
LAN |
Realtek RTL8125D (2,5 Гбит/с) |
|
Wi-Fi/Bluetooth |
MediaTek стандарта Wi-Fi 6E (поддерживает 802.11ax при 2,4, 5 и 6 ГГц; Bluetooth 5.3) |
|
Звуковая подсистема |
7.1-канальный кодек Realtek ALC897 |
|
Питание |
1 х 24-контактный разъем питания ATX 2 x 8-контактные разъемы питания ATX12V |
|
Вентиляторы |
1 x разъем вентилятора CPU (4-контактный) 1 x разъем водоблока СЖО (4-контактный) 3 x разъема подключения системных вентиляторов (4-контактные) 1 х JAF_1 (подключение вентилятора + подсветки) |
|
Охлаждение |
Алюминиевые радиаторы на элементах подсистемы питания Алюминиевый радиатор для верхнего M.2-накопителя Алюминиевый радиатор на чипсете |
|
Внешние порты I/O и кнопки |
1 x кнопка обновления BIOS 1 x кнопка сброса CMOS 1 х HDMI 2.1 1 х DisplayPort 1.4 1 х USB 3.2 Gen 2 (10 Гбит/с) Type-C 3 х USB 3.2 Gen 2 (10 Гбит/с) Type-A 4 х USB 3.2 Gen 1 (5 Гбит/с) Type-A 1 x LAN (2,5 Гбит/с) 2 х коннекторы антенн Wi-Fi 3 x 3,5-мм аудиопорты |
|
Внутренние порты I/O |
1 х USB 3.2 Gen 2 (поддерживает USB Type-C) 1 х USB 3.2 Gen 1 (поддерживают 2 х USB 3.2 Gen 1) 2 x USB 2.0 (поддерживают 4 x USB 2.0) |
|
BIOS |
256 Mбит Flash ROM, UEFI AMI BIOS |
|
Поддерживаемая ОС |
Windows 11 x64 |
|
Форм-фактор |
microATX, 244 x 244 мм |
|
Сайт производителя |
|
|
Страница устройства |
|
|
Страница поддержки |
MSI B850M GAMING PLUS WIFI6E (новые версии BIOS, драйверов и т.п.) |
| Страница для покупки | TELEMART.UA |
Упаковка и комплектация
Оранжево-красные вкрапления в оформлении коробки сразу намекают, что перед нами решения для процессоров AMD. Здесь же размещена соответствующая отметка о поддержке самой актуальной 9000-й серии чипов для платформы Socket AM5.
Вместе с платой положили немало дополнительных компонентов:
- один SATA-шлейф с Г-образным коннектором;
- дополнительные элементы крепления M.2-накопителей;
- шестигранный ключ для взаимодействия с креплениями EZ M.2 II;
- кабель-разветвитель фирменного EZ коннектора, позволяющий одновременно подключить вентилятор и RGB-подсветку;
- антенну Wi-Fi-модуля;
- набор наклеек, в том числе для обозначения кабелей;
- руководство по установке;
другую документацию пользователя.
Дизайн и особенности платы
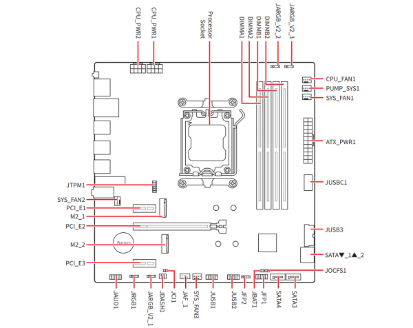
Материнская плата MSI B850M GAMING PLUS WIFI6E выполнена в компактном форм-факторе microATX с размерами 244×244 мм. Чтобы удержать стоимость, производитель использовал 6-слойный текстолит вместо 8-слойного, характерного для более дорогих моделей. В то же время, серебристое оформление с серыми акцентами выглядит сдержанно и универсально — такая плата гармонично впишется как в светлую, так и в темную сборку.
С противоположной стороны можно увидеть усилительную пластину процессорного разъема и крепежные винты радиаторов подсистемы питания VRM и чипсета. Также вокруг монтажных отверстий нанесено дополнительное покрытие – оно помогает сохранить текстолит от царапин и повреждений при установке платы в корпус.
Теперь рассмотрим детали. Пара достаточно мощных радиаторов отвечает за охлаждение частей подсистемы питания процессора.
Они обе оснащены термопрокладками, а для отвода тепла от полевых транзисторов применяются более светлые элементы с повышенной теплопроводностью – 7 Вт/(м·К).
Схема питания включает в себя 10+2+1 фазу – а это на 2-4 фазы меньше, чем у более дорогих моделей на основе аналогичного чипсета.
Что касается эффективности охладителей, то после 15 мин стресс-тестирования 12-ядерного AMD Ryzen 9 7900X в AIDA64 FPU они прогрелись до 72-83°С, а дроссели под ними - до 87-91°С. Это достаточно высокие показатели, поэтому для данной материнской платы лучше использовать процессоры серий Ryzen 5 или Ryzen 7.
Для питания "камня" имеется привычный набор из пары 8-контактных разъемов ATX12V.
С противоположного края платы есть пара ARGB-колодок и три 4-контактных FAN-разъема – для подключения процессорного охладителя, помпы и системного вентилятора. А четыре светодиода ниже укажут на причину затруднений при запуске системы — разумеется, если таковые возникнут.
Чуть ниже распаян 24-контактный разъем питания ATX и колодка фронтального USB 3.2 Gen 2 с пропускной способностью до 10 Гбит/с.
У MSI B850M GAMING PLUS WIFI6E есть четыре DIMM-слота с фиксаторами в верхней части. Они поддерживают модули ОЗУ стандарта DDR5 общим объемом 256 ГБ со скоростью до 8200+ МТ/с.
Как обычно, для двух планок памяти приоритетными являются слоты A2 и B2, а для одной — A2.
Слотов расширения здесь три – очень достойный показатель, как для microATX-платы:
- PCI Express 3.0 x1 (в режиме х1);
- PCI Express 4.0 x16 (в режиме х16);
- PCI Express 3.0 x1 (в режиме х1).
Для установки видеокарты есть усиленный слот PCI Express 4.0x16. Он использует процессорные линии, поэтому в случае решения AMD Ryzen 8000 будет работать в режиме x8 или x4.
Плата оборудована парой слотов M.2 с безвинтовым крепежем для накопителей формата 2280 или 2260. Оба они подключаются непосредственно к процессорным линиям.
Верхний слот поддерживает высокоскоростной интерфейс PCIe 5.0 x4, хотя при установке процессоров AMD Ryzen 8000 он будет работать в режиме PCIe 4.0 x4. Поддерживаются накопители шириной до 23 мм, за их охлаждение отвечает радиатор с термопрокладкой, закрепленный двумя винтами.
Нижний слот M.2 соответствует стандарту PCIe 4.0 x4, тогда как в паре с AMD Ryzen 8500/8300 он будет работать в режиме PCIe 4.0 x2. Сюда можно установить SSD шириной до 24 мм, но дополнительного охлаждения не предусмотрено.
Приятным мелким бонусом является удобный доступ к батарейке CMOS.
Расположенный правее радиатор чипсета после 15 минут стресс-теста в AIDA FPU64 прогрелся до сравнительно невысоких 46°C – и это при +18°C в помещении и включенном лимите температуры процессора 85°C.
В нижнем правом углу платы расположено еще несколько полезных элементов: колодка USB 3.2 Gen 1 с пропускной способностью 5 Гбит/с для подключения двух портов и четыре SATA 6 Гбит/с.
С противоположной стороны находится 7.1-канальный кодек Realtek ALC897, дополненный четырьмя аудиоконденсаторами, колодкой фронтальной аудио панели и экранированием от помех. Кроме того, правый и левый каналы выполнены на разных PCB слоях, что уменьшает уровень наводок.
Справа распаяны следующие колодки: подключение LED-ленты, реализации ARGB-подсветки, сигнализации о вторжении в корпус, подключение корпусного вентилятора, пара USB 2.0, элементов фронтальной панели, а также для безопасной загрузки и очистки данных CMOS.
Также здесь есть разъем JAF_1, в который вставляется комплектный кабель-переходник. С его помощью можно одновременно подсоединить вентилятор и его RGB-подсветку.
В общей сложности материнская плата предлагает четыре колодки для организации подсветки и пять разъемов для подключения вентиляторов или помпы с поддержкой ШИМ-регулировки скорости вращения. В их число входит один дополнительный FAN-разъем, о котором мы еще не упоминали — расположен рядом с выходными аудиопортами. И не забываем об универсальном JAF_1, который отвечает сразу за обе функции.
Также в наличии есть колодка TPM, распаянная ближе к процессорному разъему.
А теперь несколько строк о конкретных чипах, распаянных на плате. Микросхема Realtek RTL8125D отвечает за работу 2,5-гигабитного сетевого порта.
В качестве мультиконтроллера используется достаточно распространенный NUVOTON NCT6687D-R.
Интерфейсной панели MSI B850M GAMING PLUS WIFI6E также есть чем похвастаться. На ней расположились следующие разъемы и элементы:
- 1 x кнопка обновления BIOS
- 1 x кнопка сброса CMOS
- 1 х HDMI 2.1
- 1 х DisplayPort 1.4
- 1 х USB 3.2 Gen 2 (10 Гбит/с) Type-C
- 3х USB 3.2 Gen 2 (10 Гбит/с) Type-A
- 4 х USB 3.2 Gen 1 (5 Гбит/с) Type-A
- 1 x LAN (2,5 Гбит/с)
- 2х коннекторы антенн Wi-Fi
- 3 x 3,5-мм аудиопорты
Если в процессор интегрировано графическое ядро, воспользоваться его возможностями поможет пара цифровых видеовыходов. Здесь также есть две кнопки, которые позволяют максимально удобно и просто обновить BIOS и сбросить настройки CMOS. В свою очередь, подключить аналоговые аудиоустройства можно с помощью трех 3,5-мм разъемов в нижней части панели. Кстати, среди них есть и линейный аудиовход. А для подключения других устройств предусмотрено восемь USB-портов: четыре с пропускной способностью до 10 Гбит/с и столько же со скоростью 5 Гбит/с.
Два из них работают за счет дополнительного контроллера ASMedia ASM1074.
Кроме того, под кожухом интерфейсной панели расположена плата от MediaTek с поддержкой трехдиапазонного Wi-Fi 6E и Bluetooth 5.3. К ней подключается выносная антенна в светлом исполнении, которую желательно разместить в зоне наилучшей видимости роутера.
UEFI BIOS
Тестируемая плата MSI B850M GAMING PLUS WIFI6E использует современный загрузчик MSI Click BIOS X на основе графического интерфейса UEFI. Традиционно можно выбрать один из двух режимов работы.
В первом, EZ Mode, все настройки сгруппированы на одном экране.
А в Advanced Mode они уже посортированы по соответствующим вкладкам. В таком случае базовый мониторинг работы системы доступен на правой боковой панели, отображаемой во всех разделах.
Напомним, что у плат с чипсетом AMD B850 также есть возможности для разгона памяти. А вот множитель процессора можно изменять только в сторону уменьшения, в отличие от старших X-чипсетов.
Частоты процессора и памяти
Для дальнейшего тестирования и проверки возможностей материнской платы MSI B850M GAMING PLUS WIFI6E использовалось следующее оборудование:
|
Компонент |
Модель |
|
|
Процессор |
AMD Ryzen 9 7900X (Socket AM5, 4,7-5,6 ГГц, 170 Вт TDP) |
|
|
Кулер |
DeepCool LT720 |
|
|
Оперативная память |
2 x 16 ГБ DDR5-6000 Kingston FURY Beast Black (KF560C40BBAK2-32) |
|
|
Видеокарта |
Palit GeForce RTX 3090 GamingPRO OC |
|
|
SSD |
Kingston KC600 512 GB (SKC600/512G) |
|
|
Блок питания |
DeepCool PQ1000M (1000 Вт) |
|
При нагрузке 12-ядерного AMD Ryzen 9 7900X стресс-тестом утилиты CPU-Z, его частота составляла стабильные 5,32 ГГц при напряжении 1,344 В.
В более требовательном тесте FPU Stress test в AIDA64 частота ядер просела до 4,9-5,1 ГГц при напряжении 1,181 В. В свою очередь температура процессора достигала 95°C, что соответствует максимальному рабочему значению (Tjmax).
Традиционно мы прогнали этот «камень» без разгона в нескольких бенчмарках, чтобы в дальнейшем оценить результаты оптимизации.
Для реализации последней мы установили предел критической температуры на уровне 85°C, выбрав соответствующий пункт в BIOS: Precision Boost Overdrive – Set Thermal Point 85.
На такую манипуляцию бенчмарки отреагировали незначительным приростом показателей на 0,4-1,2%. При этом в FPU Stress test напряжение снизилось до 1,125 В, а энергопотребление – на 20 Вт. Так что в нашем случае данную процедуру однозначно следовало выполнить.
Набор из нескольких 16-ГБ модулей оперативной памяти DDR5-6000 Kingston FURY Beast Black (KF560C40BBAK2-32) во время тестирования запустился в режиме EXPO-профиля DDR5-6000.
После смены таймингов на 32-39-39-80 и при напряжении 1,4 В, модули заработали в режиме DDR5-6400. AIDA64 зафиксировала прирост пропускной способности на 4-6% при на 4% большей латентности. Но из-за того, что частота Uncore Frequency при этом уменьшается почти в два раза, смысла в таких манипуляциях нет.
Тестирование







Со стабильностью работы платы MSI B850M GAMING PLUS WIFI6E все в полном порядке – она без труда прошла все наши тесты.
Тестирование звукового тракта на основе кодека Realtek ALC897
Отчет о тестировании в RightMark Audio Analyzer:
Режим работы: 16-bit, 44,1 kHz
|
Параметр |
Значение |
Оценка |
|
Неравномерность АЧХ (в диапазоне 40 Гц – 15 кГц), дБ |
+0.11, -0.89 |
Хорошо |
|
Уровень шума, дБ(А) |
-91.2 |
Очень хорошо |
|
Динамический диапазон, дБ(А) |
90.8 |
Очень хорошо |
|
Гармонические искажения, % |
0.0016 |
Отлично |
|
Интермодуляционное искажение + шум, % |
0.0079 |
Отлично |
|
Взаимопроникновение каналов, дБ |
-90.5 |
Отлично |
|
Интермодуляция на 10 кГц, % |
0.0086 |
Очень хорошо |
|
Общая оценка |
|
Очень хорошо |
Режим работы 24-bit, 96 kHz
|
Параметр |
Значение |
Оценка |
|
Неравномерность АЧХ (в диапазоне 40 Гц – 15 кГц), дБ |
+0.10, -0.89 |
Хорошо |
|
Уровень шума, дБ(А) |
-94.5 |
Очень хорошо |
|
Динамический диапазон, дБ(А) |
92.5 |
Очень хорошо |
|
Гармонические искажения, % |
0.0015 |
Отлично |
|
Интермодуляционное искажение + шум, % |
0.0064 |
Отлично |
|
Взаимопроникновение каналов, дБ |
-90.4 |
Отлично |
|
Интермодуляция на 10 кГц, % |
0.0068 |
Отлично |
|
Общая оценка |
|
Очень хорошо |
Аудиокодек Realtek ALC897 является частым гостем в сравнительно недорогих материнских платах. В данном случае он получил очень много оценок «отлично», так что абсолютному большинству пользователей его возможностей будет вполне достаточно.
Итоги
Если протестированные нами ранее платы от Micro-Star International на базе чипсета AMD B850 стоили около $250-300, то компактная microATX-модель MSI B850M GAMING PLUS WIFI6E доступна уже менее чем за $200. Так что вполне логично, что производитель внес ряд упрощений, чтобы снизить ее конечную стоимость.
Прежде всего, это касается подсистемы питания — здесь на 2-4 фазы меньше, чем у старших моделей. В результате при установке 170-ваттного Ryzen 9 дроссели VRM нагревались достаточно сильно, даже несмотря на наличие двух массивных радиаторов. Поэтому оптимальным выбором для этой платы станут более холодные процессоры серий Ryzen 5 или Ryzen 7.
Другие же упрощения не столь существенны. Так, плата оснащена всего двумя слотами M.2, один из которых поддерживает PCIe 5.0 (при установке соответствующего процессора). Слот PCIe x16 соответствует только стандарту PCIe 4.0, однако для видеокарт среднего класса это ограничение вообще не будет ощутимым. Кроме того, вместо Wi-Fi 7 здесь реализован трехдиапазонный Wi-Fi 6E, что все еще обеспечивает отличную скорость передачи данных.
В общем, MSI B850M GAMING PLUS WIFI6E заслуживает внимания пользователей, которые планируют собрать систему на основе народных шести- и восьмиядерных AMD Ryzen и при этом готовы смириться с упомянутыми выше упрощениями.
Достоинства:
- качественная элементная база;
- радиаторы узла VRM обеспечивают эффективное охлаждение при использовании процессоров Ryzen 5 и Ryzen 7;
- возможность разгона памяти;
- усиленный слот для видеокарты;
- возможность установки до 256 ГБ ОЗУ со скоростью до 8200+ МТ/с;
- поддержка двух слотов M.2 Socket 3 с безвинтовым крепежем накопителей, в том числе одного PCIe 5.0;
- 2,5-гигабитный LAN-контроллер;
- модуль беспроводных интерфейсов Wi-Fi 6E и Bluetooth 5.3;
- наличие четырех диагностических индикаторов;
- возможность обновления BIOS и сброса CMOS с помощью кнопок на интерфейсной панели;
- четыре колодки для реализации подсветки;
- пять коннекторов для подключения вентиляторов и СЖО;
- достаточно качественная аудиоподсистема;
- широкий набор портов на интерфейсной панели;
- приятный дизайн в светлых тонах.
Особенности:
- определенные ограничения при использовании процессоров Ryzen 8000;
- слот для видеокарты работает в режиме PCI Express 4.0х16;
- отсутствие радиатора на нижнем слоте M.2.
Автор: Олесь Пахолок
Выражаем благодарность компании TELEMART.UA за предоставленную для тестирования материнскую плату.
Опубликовано : 06-11-2025
| Подписаться на наши каналы | |||||
|
|
|
|
||














































