Обзор MSI MAG B850M MORTAR WIFI: компактная и функциональная материнская плата
24-09-2025
Хотя самыми популярными остаются ATX-решения, многие пользователи все же выбирают более компактные версии материнских плат. И, кстати, это касается не только бюджетного сегмента. Так что ключевые производители таких устройств учитывают эту тенденцию при создании модельного ряда.
Например, полгода назад мы познакомились с полноразмерной MSI MAG B850 TOMAHAWK MAX WIFI, которая предлагает немало функциональных возможностей и строгий темный дизайн. А вот MSI MAG B850M MORTAR WIFI имеет очень схожий внешний вид и наполнение, но уже в пределах более компактного форм-фактора microATX. Понятно, что уменьшение площади текстолита заставило производителя пойти на компромиссы. В то же время, и дальше заметно стремление дать покупателю максимальное количество возможностей. В чем это проявляется – расскажем дальше.
Спецификация
|
Модель |
MSI MAG B850M MORTAR WIFI |
|
Чипсет |
AMD B850 |
|
Процессорный разъем |
AMD Socket AM5 |
|
Поддерживаемые процессоры |
AMD Ryzen 7000, 8000 та 9000 |
|
Поддержка памяти |
4 x DIMM-слоты с поддержкой максимум 256 ГБ памяти с быстродействием до DDR5-8200+ МТ/с |
|
Слоты расширения |
1 x PCI Express 5.0 x16 (x16, зависит от используемого процессора) 1 x PCI Express 4.0 x4 (x4) |
|
Дисковая подсистема |
2 x M.2 Socket 3 (M.2 2260-2280; PCIe 5.0 x4, зависит от используемого процессора) 1 x M.2 Socket 3 (M.2 2280; PCIe 4.0 x2) Поддержка RAID 0/1/5 для M.2 NVMe-накопителей 4 x SATA 6 Гбит/с Поддержка RAID 0/1/10 для SATA-накопителей |
|
LAN |
Realtek RTL8126VB (5 Гбит/с) |
|
Wi-Fi/Bluetooth |
Qualcomm QCNCM865 стандарта Wi-Fi 7 (поддерживает 802.11be при 2,4, 5 и 6 ГГц; Bluetooth 5.4) |
|
Звуковая подсистема |
7.1-канальный кодек Realtek ALC4080 |
|
Питание |
1 х 24-контактный разъем питания ATX 2 x 8-контактные разъемы питания ATX12V 1 x 8-контактный разъем питания PCIe |
|
Вентиляторы |
2 x разъемы вентилятора CPU/водоблока СЖО (4-контактные) 4 x разъема подключения системных вентиляторов (4-контактные) |
|
Охлаждение |
Алюминиевый радиатор на чипсете Алюминиевые радиаторы на элементах подсистемы питания Алюминиевый радиатор для фронтальных M.2-накопителей |
|
Внешние порты I/O и кнопки |
1 x кнопка обновления BIOS 1 x кнопка сброса CMOS 1 х HDMI 1 х USB 3.2 Gen 2х2 (20 Гбит/с) Type-C 1 х USB 3.2 Gen 2 (10 Гбит/с) Type-C 3 х USB 3.2 Gen 2 (10 Гбит/с) Type-A 4 х USB 3.2 Gen 1 (5 Гбит/с) Type-A 1 x LAN (5 Гбит/с) 2 х коннекторы антенн Wi-Fi 1 x оптический S/PDIF аудиовыход 2 x 3,5-мм аудиопорты |
|
Внутренние порты I/O |
1 х USB 3.2 Gen 2 (поддерживает USB Type-C) 1 х USB 3.2 Gen 1 (поддерживает 2 х USB 3.2 Gen 1) 2 x USB 2.0 (поддерживает 4 x USB 2.0) |
|
BIOS |
256 Mбіт Flash ROM, UEFI AMI BIOS |
|
Поддерживаемая ОС |
Windows 11 x64 |
|
Форм-фактор |
microATX, 244 x 244 мм |
|
Сайт производителя |
|
|
Страница устройства |
|
|
Страница поддержки |
MSI MAG B850M MORTAR WIFI (нові версії BIOS, драйверів і т.п.) |
Упаковка и комплектация
Коробка получила обычное оформление, дополненное информацией о ключевых возможностях платы. В частности, здесь упомянута поддержка процессоров линейки Ryzen 9000, в том числе и моделей с приставкой «X3D».
Комплектация устройства практически такая же, как и у упомянутого полноразмерного решения.
В коробку положили:
- один SATA-шлейф с Г-образным коннектором;
- дополнительные элементы крепления M.2-накопителей;
- ключ для взаимодействия с креплениями EZ M.2 CLIP II;
- кабель-разветвитель фирменного EZ коннектора, позволяющий одновременно подключить вентилятор и его RGB-подсветку;
- удлинитель EZ Front Panel Cable для упрощения подключения передней панели;
- антенну Wi-Fi-модуля;
- набор фирменных наклеек;
- руководство по установке;
- другую документацию пользователя.
Дизайн и особенности платы
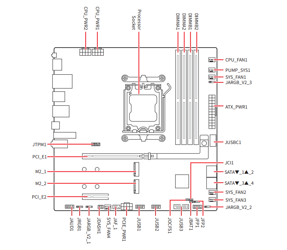
Материнская плата MSI MAG B850M MORTAR WIFI выполнена на квадратном текстолите размером 244 x 244 мм – это максимально возможный формат для microATX-решений. В его основе используются 8 слоев – все как у топовых моделей.
Что касается цветового оформления, то темные элементы здесь немного разбавлены ненавязчивыми кислотно-зелеными вставками. А вот подсветки здесь нет, хотя плата позволит синхронизировать свечение подключенных комплектующих с помощью утилиты MSI Center.
На обороте расположена усилительная пластина процессорного разъема и крепежные винты радиаторов VRM и чипсета. Дополнительное красочное покрытие вокруг монтажных отверстий поможет максимально сохранить текстолит во время установки.
Также предусмотрен разъем M.2 Socket 3 для накопителей формата 2280, которому не нашлось места на лицевой стороне. Он получил шину PCIe 4.0 x2 благодаря использованию чипсетных линий.
Понятно, что такое расположение не слишком удобно, ведь для замены носителя в большинстве корпусов придется снимать материнскую плату. С другой стороны, все же лучше так, чем совсем без него.
Переходим к деталям лицевой стороны.
Внимание привлекают два массивных радиатора подсистемы питания процессора, которые намекают на возможность установки даже топовых Ryzen 9.
Кстати, для отвода тепла от полевых транзисторов используют термопрокладки с высокой теплопроводностью 7 Вт/(м·К).
Сама же подсистема питания построена по 12(60 А)+2+1-фазной схеме. Для сравнения, это на две фазы меньше, чем у MSI MAG B850 TOMAHAWK MAX WIFI. К тому же сила тока на каждой из 12 фаз здесь уменьшена на 20 А.
Что касается температур, то после 15 мин стресс-тестирования 12-ядерного AMD Ryzen 9 7900X в AIDA FPU, упомянутые радиаторы прогрелись всего лишь до 56-57°С, а дроссели расположеные под ними – до 61-62°С. Поэтому сюда действительно можно устанавливать 16-ядерные Ryzen 9 9950X/9950X3D, не опасаясь перегрева узла VRM.
А для питания процессора в MSI MAG B850M MORTAR WIFI используется пара привычных 8-контактных разъемов ATX12V.
На противоположном краю платы расположены три 4-контактных разъема для вентиляторов: для подключения процессорного охладителя, помпы СЖО и еще одного корпусного. Также здесь есть: колодка подключения адресной LED-подсветки, четыре диагностических индикатора загрузки системы, индикатор наличия памяти, 24-контактный разъем питания ATX и колодка USB 3.2 Gen 2 Type-C с пропускной способностью до 10 Гбит/с.
Четыре DIMM-слота получили фиксаторы только в верхней части. Они поддерживают модули ОЗУ стандарта DDR5 общим объемом до 256 ГБ со скоростью до 8200+ МТ/с.
Согласно руководству пользователя, для двух планок памяти приоритетными традиционно являются слоты A2 и B2, а для одной – A2.
А под самыми слотами расположена кнопка EZ PCIe Release, позволяющая легким движением пальца вытащить видеокарту из верхнего слота PCIe 5.0 x16. Еще ниже расположен радиатор чипсета, отлично справляющийся со своими прямыми обязанностями. За 15 минут вышеупомянутого теста AIDA FPU он прогрелся до 47°C, и это при температуре в помещении 26°C. Заметим, что во время тестов нагрев процессора был ограничен на отметке 85°C путем установки в BIOS параметра PBO Set Thermal Point 85. Ибо в противном случае наш Ryzen 9 быстро достигал бы максимальных рабочих 95°C.
Рядом с чипсетом распаяны четыре порта SATA 6 Гбит/с с горизонтальной компоновкой. Вдобавок ниже имеется пара 4-контактных FAN-разъемов.
Что касается слотов расширения, то в составе MSI MAG B850M MORTAR WIFI их всего два:
- PCI Express 5.0 x16 (в режиме х16);
- PCI Express 4.0 x4 (в режиме х4).
Верхний из них усилен и использует процессорные линии PCIe. Поэтому в случае решения AMD Ryzen 8000 он будет работать в соответствии со стандартом PCIe 4.0 и максимум в режиме x8 или x4.
Между ними разместились два посадочных места для SSD формата M.2 Socket 3 2280/2260, спрятанные под общим радиатором с термопрокладками. Кстати, последние тоже предусмотрены и со стороны платы. И не удивительно, ведь данные слоты оборудованы высокоскоростным интерфейсом PCIe 5.0 x4. Конечно, при установке обрезанных AMD Ryzen 8000 упомянутые разъемы будут работать в режиме PCIe 4.0 x4.
Поскольку радиатор оснащен фиксатором EZ M.2 CLIP II, процесс его снятия и монтажа не требует использования инструментов. Аналогичным образом происходит и установка накопителей. Если же купленный вами SSD уже имеет свой радиатор, убедитесь, что его ширина не превышает 24 мм. Для решения на обороте платы соответствующее максимальное значение составляет 25 мм.
Нижний край платы традиционно богат элементами. Здесь расположены: колодка фронтальных аудиопортов, одна колодка для подключения LED-ленты и две для реализации ARGB-подсветки, колодка сигнализации о вторжении в корпус, четвертый разъем для корпусного вентилятора, 8-контактный разъем питания PCIe, две колодки USB 2.0 и одна USB 3.2 Gen 1, джампер безопасной загрузки, а также колодки очистки данных CMOS и элементов передней панели. Напомним, в последнюю можно установить комплектный кабель EZ Front Panel Cable, позволяющий удобно подключить кнопки и индикаторы.
Есть здесь еще и колодка JAF_1, в которую вставляется другой комплектный кабель-переходник. С его помощью сюда можно одновременно подключить вентилятор и его RGB подсветку. Еще одна колодка для подключения модуля TPM расположена над разъемом PCIe 5.0 x16.
В общей сложности на плате имеются четыре колодки для организации подсветки и шесть разъемов для подключения вентиляторов и помпы с поддержкой ШИМ-регулирования скорости. Дополнительно предусмотрен универсальный разъем JAF_1, одновременно сочетающий в себе несколько функций.
Аудиотракт MSI MAG B850M MORTAR WIFI традиционно экранирован от помех и дополнен пятью аудиоконденсаторами. В его основе лежит 7.1-канальный аудиокодек Realtek ALC4080, являющийся частым гостем даже в топовых материнских платах.
Мультиконтролером виступає чип NUVOTON NCT6687D-R, который в последнее время также часто встречается на платах от Micro-Star International.
Если размеры текстолита заставили производителя пойти на некоторые компромиссы, то об интерфейсной панели этого не скажешь. На ней есть:
- 1 x кнопка обновления BIOS
- 1 x кнопка сброса CMOS
- 1 х HDMI
- 1 х USB 3.2 Gen 2х2 (20 Гбит/с) Type-C
- 1 х USB 3.2 Gen 2 (10 Гбит/с) Type-C
- 3х USB 3.2 Gen 2 (10 Гбит/с) Type-A
- 4 х USB 3.2 Gen 1 (5 Гбит/с) Type-A
- 1 x LAN (5 Гбит/с)
- 2х коннекторы антенн Wi-Fi
- 1 x оптический S/PDIF аудиовыход
- 2 x 3,5-мм аудиопорты
Цифровой видеовыход HDMI позволяет воспользоваться возможностями интегрированного в процессор видеоядра. Две кнопки рядом также окажутся очень полезными: одна поможет максимально просто обновить микрокод BIOS, тогда как другая – сбросить настройки CMOS. В свою очередь, для аналоговых и цифровых аудиоустройств предусмотрены три разъема в самом низу. Что касается других девайсов, то подключить их помогут девять USB-портов, среди которых один USB 3.2 Gen 2х2 Type-C и квартет USB 3.2 Gen 2.
Кроме того, под кожухом интерфейсной панели размещена плата Qualcomm QCNCM865, которая привнесла поддержку Wi-Fi 7 и Bluetooth 5.4. К ней подключается выносная антенна с магнитным крепежем, которую можно расположить в зоне наилучшей видимости роутера. А за работу 5-гигабитного LAN-порта отвечает чип Realtek RTL8126VB.
В заключение покажем интересный способ расположения батарейки CMOS. И да, это вполне привычная CR2032, но в версии для лэптопа. Она фиксируется на двусторонний скотч и подсоединяется к плате через 2-контактный коннектор. Что ж, вполне приемлемый вариант, тем более что ее замена не отнимет много времени.
UEFI BIOS
Тестируемая плата MSI MAG B850M MORTAR WIFI использует современный загрузчик MSI Click BIOS X на основе графического интерфейса UEFI. Традиционно доступны два режима работы: «EZ Mode», где все настройки сгруппированы на одном экране, или «Advanced Mode» с сортировкой по соответствующим вкладкам. Во втором случае базовый мониторинг работы системы доступен на правой боковой панели, отображаемой во всех разделах.
Напомним, что в платах с чипсетом AMD B850 предусмотрена возможность разгона памяти. В то же время множитель процессора можно изменять только в сторону уменьшения, в отличие от старших X-чипсетов.
Частоты процессора и памяти
Для дальнейшего тестирования и проверки возможностей материнской платы MSI MAG B850M MORTAR WIFI использовалось следующее оборудование:
|
Компонент |
Модель |
|
|
Процессор |
AMD Ryzen 9 7900X (Socket AM5, 4,7-5,6 ГГц, 170 Вт TDP) |
|
|
Кулер |
DeepCool LT720 |
|
|
Оперативная память |
2 x 16 ГБ DDR5-6000 Kingston FURY Beast Black (KF560C40BBAK2-32) |
|
|
Видеокарта |
Palit GeForce RTX 3090 GamingPRO OC |
|
|
SSD |
Kingston KC600 512 GB (SKC600/512G) |
|
|
Блок питания |
ASUS TUF Gaming 1000W Gold (1000 Вт) |
|

При нагрузке 12-ядерного AMD Ryzen 9 7900X стресс-тестом утилиты CPU-Z, он держал стабильные 5,27 ГГц при напряжении 1,306 В.
В более требовательном 15-минутном тесте FPU Stress test в AIDA64 частота его ядер просела до 4,9-5,1 ГГц при 1,169 В. В свою очередь температура процессора достигала 95°C, что соответствует максимальному рабочему значению (Tjmax).
Традиционно мы прогнали этот «камень» без разгона в нескольких бенчмарках, чтобы в дальнейшем оценить результаты оптимизации.
Для этого мы установили предел критической температуры на уровне 85°C, выбрав соответствующий пункт в BIOS: Precision Boost Overdrive – Set Thermal Point 85.
Но даже после этого шага бенчмарки показывали практически идентичные результаты. Только в мультипоточном тесте Cinebench R23 имеет место 2% падение производительности. Зато в FPU Stress test напряжение снизилось до 1,094 В, а энергопотребление – на ощутимые 20 Вт.

Набор из пары 16-ГБ модулей оперативной памяти DDR5-6000 Kingston FURY Beast Black (KF560C40BBAK2-32) работал на скорости EXPO-профиля DDR5-6000 МТ/с.

После повышения каждого из таймингов на 2 до 38-40-40-82 и увеличения напряжения до 1,38 В модули заработали в режиме DDR5-6600. В AIDA64 это дало прирост пропускной способности всего на 2-5% при одновременно на 6% более высокой латентности. К тому же частота Uncore Frequency в таком случае уменьшается вдвое, так что особого смысла в таких манипуляциях на самом деле нет.
Тестирование







Со стабильностью работы microATX-платы MSI MAG B850M MORTAR WIFI все в полном порядке – она без труда прошла все наши тесты.
Тестирование звукового тракта на основе кодека Realtek ALC4080
Отчет о тестировании в RightMark Audio Analyzer:
Режим работы: 16-bit, 44,1 kHz
|
Параметр |
Значение |
Оценка |
|
Неравномерность АЧХ (в диапазоне 40 Гц – 15 кГц), дБ |
+0.02, -0.18 |
Очень хорошо |
|
Уровень шума, дБ(А) |
-82.5 |
Добре |
|
Динамический диапазон, дБ(А) |
97.0 |
Отлично |
|
Гармонические искажения, % |
0.0096 |
Очень хорошо |
|
Интермодуляционное искажение + шум, % |
0.011 |
Очень хорошо |
|
Взаимопроникновение каналов, дБ |
-98.1 |
Отлично |
|
Интермодуляция на 10 кГц, % |
0.010 |
Очень хорошо |
|
Общая оценка |
|
Очень хорошо |
Режим работы 24-bit, 96 kHz
|
Параметр |
Значение |
Оценка |
|
Неравномерность АЧХ (в диапазоне 40 Гц – 15 кГц), дБ |
+0.02, -0.18 |
Очень хорошо |
|
Уровень шума, дБ(А) |
-93.7 |
Очень хорошо |
|
Динамический диапазон, дБ(А) |
106.9 |
Отлично |
|
Гармонические искажения, % |
0.0095 |
Очень хорошо |
|
Интермодуляционное искажение + шум, % |
0.0091 |
Очень хорошо |
|
Взаимопроникновение каналов, дБ |
-103.4 |
Отлично |
|
Интермодуляция на 10 кГц, % |
0.0084 |
Очень хорошо |
|
Общая оценка |
|
Очень хорошо |
Аудиокодек Realtek ALC4080 демонстрирует очень хорошие результаты, поэтому абсолютное большинство пользователей не испытают потребности в установке дискретной звуковой карты. И хотя он получил итоговую оценку «очень хорошо», как и бюджетный Realtek ALC897, старшее решение все же ощутимо лучше по меньшей мере по трем параметрам: неравномерность АЧХ, динамический диапазон и взаимопроникновение каналов.
Итоги
Несмотря на свои сравнительно компактные размеры, материнская плата MSI MAG B850M MORTAR WIFI формата microATX получила отличные функциональные возможности.
Прежде всего, благодаря свежей прошивке BIOS и продуманному охлаждению узла VRM она поддерживает любые процессоры AMD Ryzen 7000/8000/9000, включая топовый Ryzen 9 9950X3D. Для подключения видеокарты предусмотрен слот PCIe 5.0 x16, а два из трех слотов M.2 также поддерживают новейшую версию данного интерфейса PCIe 5.0 х4. Хотя, напоминаем, в таком режиме они будут работать только в паре с процессорами серий Ryzen 7000 и 9000.
Среди дополнительных преимуществ – трехдиапазонный Wi-Fi 7 с выносной антенной, 5-гигабитный LAN, топовый аудиокодек, диагностические индикаторы, один USB 3.2 Gen 2x2 Type-C и ряд других скоростных интерфейсов. А приятными бонусами будут фирменные опции в виде кнопки для быстрого извлечения видеокарты и возможность установки передних M.2-накопителей без использования каких-либо инструментов.
Не считая того, из-за компактных размеров на плате имеется только один дополнительный слот расширения PCIe 4.0х4. Также третий разъем M.2 пришлось перенести на обратную сторону, что усложнит доступ к установленному на нем носителю. А еще некоторые упрощения коснулись зоны VRM. Впрочем, идти на какие-нибудь действительно критические жертвы покупателю не придется.
Достоинства:
- 12(60 А)+2+1-фазная подсистема питания процессора с качественной элементной базой;
- эффективное охлаждение;
- возможность разгона памяти;
- усиленный слот для видеокарты с интерфейсом PCI Express 5.0 и механизмом быстрого извлечения;
- возможность установки до 256 ГБ ОЗУ с частотой до 8200+ МГц;
- поддержка трех слотов M.2 Socket 3, в том числе двух PCIe 5.0;
- 5-гигабитный LAN-контроллер;
- модуль беспроводных интерфейсов Wi-Fi 7 и Bluetooth 5.4;
- возможность обновления BIOS с помощью кнопки "BIOS FlashBack" на интерфейсной панели;
- пять колодок для реализации подсветки;
- семь коннекторов для подключения вентиляторов и помпы СЖО;
- качественная аудиоподсистема;
- широкий набор портов на интерфейсной панели;
- приятный дизайн;
- сравнительно компактный формат microATX.
Особенности:
- определенные ограничения при использовании процессоров Ryzen 8000;
- третий разъем M.2 расположен на обратной стороне платы.
Автор: Олесь Пахолок
Выражаем благодарность компании MSI за предоставленную для тестирования материнскую плату.
Опубликовано : 24-09-2025
| Подписаться на наши каналы | |||||
|
|
|
|
||









































