Обзор MSI MAG X870E GAMING MAX WIFI: доступная материнская плата с топовым чипсетом
21-04-2026
Решения на базе B-чипсета среднего уровня традиционно остаются самыми популярными среди пользователей, ведь именно они предлагают оптимальный баланс цены и возможностей. Однако разница между классами иногда бывает достаточно размытой.
В частности, если сравнить стоимость протестированной нами ранее MSI MAG B850 TOMAHAWK MAX WIFI с моделью MSI MAG X870E GAMING MAX WIFI на флагманском наборе логики AMD X870E, то разница составляет всего около ₴1 000. А в ценовом диапазоне ₴13 00 это не выглядит существенной переплатой.
Далее мы выясним, насколько оправдан выбор этой модели, сравнив ее с решением на младшем чипсете B850, а также с более оснащенной и более дорогой (на ₴2 500 или около $55) MSI MAG X870E TOMAHAWK MAX WIFI.
Спецификация
|
Модель |
MSI MAG X870E GAMING MAX WIFI |
|
Чипсет |
AMD X870E |
|
Процессорный разъем |
AMD Socket AM5 |
|
Поддерживаемые процессоры |
AMD Ryzen 7000, 8000 и 9000 |
|
Поддержка памяти |
4 x DIMM-слоты с поддержкой максимум 256 ГБ памяти DDR5-8200+ МТ/с |
|
Слоты расширения |
1 x PCI Express 5.0 x16 (x16, зависит от используемого процессора) 1 x PCI Express 4.0 x16 (x4) 1 x PCI Express 3.0 x1 (x1) |
|
Дисковая подсистема |
1 x M.2 Socket 3 (M.2 2260-2280; PCIe 5.0 x4, зависит от используемого процессора) 1 x M.2 Socket 3 (M.2 22110-2280; PCIe 4.0 x4) 1 x M.2 Socket 3 (M.2 2260-2280; PCIe 4.0 x4) 4 x SATA 6 Гбит/с Поддержка RAID 0/1/5 для M.2 NVMe-накопителей Поддержка RAID 0/1/5/10 для SATA-накопителей |
|
LAN |
Realtek RTL8126 (5 Гбит/с) |
|
Wi-Fi/Bluetooth |
MediaTek MTK MT7925B22M стандарта Wi-Fi 7 (поддерживает 802.11be при 2,4, 5 и 6 ГГц; Bluetooth 5.4) |
|
Звуковая подсистема |
7.1-канальный кодек Realtek ALC897 |
|
Питание |
1 х 24-контактный разъем питания ATX 2 x 8-контактные разъемы питания ATX12V 1 x 8-контактный разъем питания PCIe |
|
Вентиляторы |
2 x разъемы вентилятора CPU/водоблока СЖО (4-контактные) 6 x разъемов подключения системных вентиляторов (4-контактные) |
|
Охлаждение |
Алюминиевые радиаторы на элементах подсистемы питания Алюминиевый радиатор на контроллере портов USB4 Алюминиевый радиатор для верхнего M.2-накопителя Алюминиевый радиатор на чипсете |
|
Внешние порты I/O и кнопки |
1 x кнопка обновления BIOS 1 x кнопка сброса CMOS 1 х HDMI 1 х USB4 (40 Гбит/с) Type-C с функцией DisplayPort 1.4 (4K Ultra HD 120 Гц) 1 х USB 3.2 Gen 2x2 (20 Гбит/с) Type-C 2 х USB 3.2 Gen 2 (10 Гбит/с) Type-A 2 х USB 3.2 Gen 1 (5 Гбит/с) Type-A 4 х USB 2.0 Type-A 1 x RJ45 (5 Гбит/с) 2 х коннекторы антенн Wi-Fi 3 x 3,5-мм аудиопорты |
|
Внутренние порты I/O |
1 х USB 3.2 Gen 2 (поддерживает USB Type-C) 2 х USB 3.2 Gen 1 (поддерживают 4 х USB 3.2 Gen 1) 3 x USB 2.0 (поддерживают 6 x USB 2.0) |
|
BIOS |
512 Mбит Flash ROM, UEFI AMI BIOS |
|
Поддерживаемая ОС |
Windows 11 x64 |
|
Форм-фактор |
ATX, 305 × 244 мм |
|
Сайт производителя |
|
|
Страница устройства |
|
|
Страница поддержки |
MSI MAG X870E GAMING MAX WIFI (новые версии BIOS, драйверов и т.д.) |
Упаковка и комплектация
Коробка сообщает немало полезного о размещенной внутри плате, в частности о полной совместимости с самыми современными процессорами серии Ryzen 9000.
Богатая комплектация включает немало полезных бонусов:
- пару SATA-шлейфов, один с Г-образным коннектором;
- зажим для накопителя EZ M.2 II;
- шестигранный ключ для крепления EZ M.2 II;
- кабель-разветвитель фирменного EZ-коннектора, позволяющий одновременно подключить вентилятор и RGB-подсветку;
- удлинитель EZ Front Panel Cable для упрощения подключения передней панели;
- антенну Wi-Fi-модуля;
- набор фирменных наклеек, в том числе для обозначения кабелей;
- руководство по установке и другие бумаги.
По сравнению с более дорогой MSI MAG X870E TOMAHAWK MAX WIFI здесь нет только USB-флешки с драйверами, утилитами и прошивкой BIOS.
Дизайн и особенности платы
Материнская плата MSI MAG X870E GAMING MAX WIFI выполнена в привычном форм-факторе ATX и имеет размеры 305×244 мм. Правда, в отличие от вышеупомянутых представителей линейки MSI MAG TOMAHAWK MAX WIFI, здесь используется 6-слойный текстолит вместо 8-слойного. Цвет у него аналогичный, чего не скажешь о радиаторах — черные элементы с зелеными вкраплениями заменены на серебристые. Благодаря этому плата впишется одинаково хорошо как в темную, так и светлую систему.
А вот компоновка тестируемого решения очень похожа на младший “Томагавк” на основе чипсета B850.
На обороте, кроме усилительной пластины процессорного разъема, находятся крепежные винты четырех радиаторов. Есть здесь и традиционная для плат MSI дополнительная краска вокруг крепежных отверстий для защиты при установке.
Теперь к деталям. Подсистема питания процессора включает в себя пару больших радиаторов, один из которых при этом выполняет роль кожуха интерфейсной панели.
Оба оснащены термопрокладками на дросселях и MOSFET-транзисторах, причем последние имеют высокую теплопроводность — 7 Вт/(м·К), поэтому здесь все как у более дорогих моделей.
Есть здесь и более компактный радиатор, отвечающий за отвод тепла от контроллера порта USB4 ASMedia ASM4242.
В отличие от "Томагавков", где используется схема питания с 14+2+1 фазами, здесь применен упрощенный вариант в конфигурации 12+2+1 под управлением контроллера MPS2519/MP2857. Рядом видны высококачественные твердотельные конденсаторы и пара 8-контактных разъемов питания ATX12V.
Что касается температур, то после 15 минутного стресс-теста 12-ядерного AMD Ryzen 9 7900X в AIDA FPU, радиаторы на VRM прогрелись только до 48-52°С, а расположенные под ними дроссели – до 58-62°С. Учитывая такие низкие значения, тестируемая плата отлично подойдет и для установки топовых 16-ядерных 170-ваттных «камней» – Ryzen 9 9950X и 9950X3D.
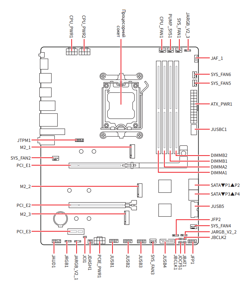
Посредине верхней части платы расположен процессорный разъем Socket AM5. Напомним, компания AMD представила его еще в 2022 году и в ближайшее время не намерена от него отказываться. Поэтому сюда можно установить самые актуальные процессоры линеек AMD Ryzen 7000/8000/9000, а также представителей будущих поколений CPU.
Слева снизу видна колодка для подключения модуля TPM, а дальше (за кадром) оказался один из разъемов для корпусных вентиляторов.
В верхней правой части платы расположено целых пять 4-контактных разъемов FAN: два для процессорного охладителя или помпы СЖО и три для корпусных вентиляторов. Также здесь есть колодка адресной LED-подсветки и разъема JAF_1 для одновременного подключения вентилятора и RGB-подсветки. А для обнаружения ошибок предусмотрены четыре светодиодных индикатора загрузки системы и один индикатор инициализации памяти.
Вдоль правого края виден 24-контактный разъем питания ATX и колодка USB 3.2 Gen 2, обладающая пропускной способностью до 10 Гбит/с. Напомним, в обоих "Томагавках" используется уже 20-гигабитная колодка USB 3.2 Gen 2x2.
Четыре DIMM-слота с фиксаторами сверху поддерживают модули памяти DDR5 общим объемом 256 ГБ и скоростью до 8200+ МТ/с. Если установить сразу пару 1-ранговых модулей, это значение снижается до 6400+ МТ/с, а для 2-ранговых — до 6000+ МТ/с.
По традиции, для двух планок памяти приоритетными традиционно являются слоты A2 и B2, а для одной — A2.
Рядом расположена кнопка, которая активирует механизм быстрого извлечения видеокарты EZ PCIe Release – это действительно очень удобно.
Ниже рядом с радиатором чипсета вдоль правого края платы распаяны четыре порта SATA 6 Гбит/с и колодка USB 3.2 Gen 1 с пропускной способностью до 5 Гбит/с. Горизонтальная компоновка позволит использовать данные элементы даже при установке в слоты расширения очень габаритных видеокарт или других устройств. Также здесь есть еще один разъем для подключения корпусного вентилятора.
Набор логики AMD X870E получил большой радиатор, которого вполне достаточно для эффективного охлаждения. Так, после 15 минут теста AIDA FPU его температура составляла всего 46°C – и это при 23°C в помещении.
Плата MSI MAG X870E GAMING MAX WIFI получила три слота расширения:
- PCI Express 5.0 x16 (в режиме х16);
- PCI Express 4.0 x16 (в режиме х4).
- PCI Express 3.0 x16 (в режиме х1).
Верхний рассчитан на установку видеокарт, поэтому получил металлическое обрамление. Впрочем, из-за использования процессорных линий в паре с AMD Ryzen 8000 он будет работать в соответствии со стандартом PCIe 4.0 и максимум в режиме x8 или x4.
Для SSD формата M.2 Socket 3 также предусмотрены три посадочных места. Верхнее из них предназначено для накопителя форм-фактора M.2 2280 или 2260 с высокоскоростным интерфейсом PCIe 5.0 x4. Здесь есть быстросъемный радиатор с безвинтовым крепежем EZ M.2 Shield Frozr и термопрокладкой. А вот охлаждение со стороны PCB не предусмотрено, поэтому часть банков памяти на накопителях с двусторонней компоновкой может перегреваться.
Если же используется процессор AMD Ryzen 8000, то этот разъем будет работать в режиме PCIe 4.0 x4.
Ниже расположены слоты M.2 стандарта PCIe 4.0 x4, которые используют чипсетные линии и позволяют устанавливать накопители увеличенной до 25 мм ширины. Один из них, кроме привычных M.2 2280, поддерживает также более габаритные SSD M.2 22110, в то время как другой уже более компактный M.2 2260. Поэтому видно, что производитель пытался предусмотреть различные возможные конфигурации для обеспечения максимальной совместимости.
Что удобно, все разъемы M.2 поддерживают безвинтовую фиксацию накопителей EZ M.2 II, а комплектный ключ позволит легко переставить крепеж в соответствии с длиной SSD.
Вдоль левого борта MSI MAG X870E GAMING MAX WIFI расположились составляющие аудио-подсистемы: недорогой 7.1-канальный кодек Realtek ALC897 и квартет аудио конденсаторов, отделенные экранированием.
Рядом с ними установлена батарейка CMOS CR2032 с очень удобным доступом. Внизу же расположен целый набор элементов: колодка фронтальных аудиопортов, одна колодка для подключения LED-ленты и две для реализации ARGB-подсветки, колодка сигнализации об открытии корпуса, разъем для вентилятора, 8-контактный разъем питания PCIe, три колодки USB 2.0, одна USB 3.2 Gen 1, джамперы частоты BCLK, а также колодка системного динамика и элементов фронтальной панели. В последнюю подключается комплектный кабель EZ Front Panel Cable, который позволяет удобно подсоединить соответствующие кнопки и индикаторы.
В общей сложности на плате имеется четыре колодки для организации подсветки и восемь разъемов для подключения вентиляторов и помпы с поддержкой ШИМ.
Мультиконтроллером выступает чип NUVOTON NCT6687D-R, который является частым гостем на современных материнских платах.
Интерфейсная панель выглядит богатой и полностью соответствует уровню устройства с флагманским чипсетом. На ней размещены все необходимые элементы:
- 1 x кнопка обновления BIOS
- 1 x кнопка сброса CMOS
- 1 х HDMI
- 1 х USB4 (40 Гбит/с) Type-C (с функцией DisplayPort 1.4)
- 1 х USB 3.2 Gen 2x2 (20 Гбит/с) Type-C
- 2 х USB 3.2 Gen 2 (10 Гбит/с) Type-A
- 2 х USB 3.2 Gen 1 (5 Гбит/с) Type-A
- 4х USB 2.0 Type-A
- 1 x RJ45 (5 Гбит/с)
- 2х коннекторы антенн Wi-Fi
- 3 x 3,5-мм аудиопорты
По сравнению с «Томагавками» здесь нет оптического аудиовыхода S/PDIF. Зато есть более интересные порты USB4 и USB 3.2 Gen 2x2, отсутствующие у младшей модели на основе B850. Кроме того, в наличие удобные кнопки для обновления BIOS и сброса настроек CMOS, а суммарное количество USB-разъемов достигает десяти.
В свою очередь сетевой 5-гигабитный LAN-порт работает благодаря контроллеру Realtek RTL8126.
Рядом с выходными разъемами разместилась плата MediaTek MTK MT7925B22M с поддержкой трехдиапазонного Wi-Fi 7 (2,4, 5 и 6 ГГц) и Bluetooth 5.4. К ней подключается выносная антенна, которую можно разместить в зоне лучшей видимости роутера.
UEFI BIOS
Тестируемая плата MSI MAG X870 GAMING MAX WIFI использует современный интерфейс MSI Click BIOS X на основе UEFI. Причем здесь применяется увеличенный объем чипа BIOS – 512 Мбит против привычных 256 Мбит. Для удобства пользователя есть два режима работы: «EZ Mode», в котором настройки сгруппированы на одном экране, и «Advanced Mode» с сортировкой по соответствующим вкладкам. Базовый мониторинг доступен на правой боковой панели, которая отображается во всех разделах. Кроме того, здесь есть широкие возможности для разгона процессора, в частности, можно увеличить его множитель, что недоступно на платах с B-чипсетом.
Частота процессора и памяти.
Для тестирования и проверки возможностей материнской платы MSI MAG X870E GAMING MAX WIFI использовалось следующее оборудование:
|
Компонент |
Модель |
|
|
Процессор |
AMD Ryzen 9 7900X (Socket AM5, 4,7-5,6 ГГц, 170 Вт TDP) |
|
|
Кулер |
DeepCool LT720 |
|
|
Оперативная память |
2 x 16 ГБ DDR5-6000 Kingston FURY Beast Black (KF560C40BBAK2-32) |
|
|
Видеокарта |
Palit GeForce RTX 3090 GamingPRO OC |
|
|
SSD |
Kingston KC600 512 GB (SKC600/512G) |
|
|
Блок питания |
DeepCool PQ1000M (1000 Вт) |
|

При нагрузке нашего 12-ядерного AMD Ryzen 9 7900X стресс-тестом утилиты CPU-Z процессор держал стабильные 5,28 ГГц при напряжении 1,325 В — довольно хороший показатель.
В более требовательном 16-минутном FPU Stress Test в AIDA64 частота ядер просела до 4,97 ГГц при напряжении 1,166 В. При этом температура процессора достигала 95°C, что соответствует максимальному рабочему значению (Tjmax), а сам он потреблял 182 Вт. Поскольку AMD Ryzen 9 7900X работал на предельной для него температуре, мы решили выполнить андервольтинг и одновременно его подразогнать. Для этого в BIOS были изменены следующие параметры:
Precision Boost Overdrive:
- Precision Boost Overdrive → Advanced
- PBO Limits → Motherboard
CPU Boost Clock Override → +100 MHz
PBO Scalar → 10X
Такие настройки позволяют плате самой определять пределы мощности, увеличивают максимальную частоту процессора на 100 МГц и изменяют алгоритм удержания высокой частоты на более агрессивный (10X).
Curve Optimizer:
- Mode → Negative
- Value → -25
А эти настройки позволили снизить напряжение, причем достаточно ощутимо.
В результате таких действий в FPU Stress Test 12-ядерник "держал" частоту 5,2 ГГц, что более чем на 200 МГц выше предыдущего результата. Напряжение при этом составляло всего 1,172 В, что всего на 0,006 В выше. А температура оставалась в пределах тех же 95°C. При этом никаких проблем со стабильностью не было — материнская плата показала себя с лучшей стороны.
Если же ограничиться только изменениями в пункте Curve Optimizer, тогда процессор работает при 5,175 МГц и 1,164-1,166 В — также хороший результат при минимальных манипуляциях.
Набор из пары 16-ГБ модулей оперативной памяти DDR5-6000 Kingston FURY Beast Black (KF560C40BBAK2-32) работал в режиме EXPO-профиля DDR5-6000 МТ/с.
Без изменения таймингов, но уже при напряжении 1,4 В модули заработали при DDR5-6600, при этом AIDA64 оценила прирост быстродействия в 3-9% при аналогичных задержках. И, что немаловажно, частота Uncore Frequency осталась без изменений.
А вот при задействовании технологии Memory Try It! и DDR5-6600 частота Uncore Frequency проседает вдвое, что нивелирует преимущества такого разгона.
Тестирование







Плата MSI MAG X870E GAMING MAX WIFI без труда прошла все наши тесты, что и ожидалось.
Тестирование звукового тракта на основе кодека Realtek ALC897
Отчет о тестировании в RightMark Audio Analyzer:
Режим работы: 16-bit, 44 kHz
|
Параметр |
Значение |
Оценка |
|
Неравномерность АЧХ (в диапазоне 40 Гц – 15 кГц), дБ |
+0.1, -0.89 |
Хорошо |
|
Уровень шума, дБ(А) |
-89.5 |
Хорошо |
|
Динамический диапазон, дБ(А) |
89.3 |
Хорошо |
|
Гармонические искажения, % |
0.0015 |
Отлично |
|
Интермодуляционное искажение + шум, % |
0.0096 |
Очень хорошо |
|
Взаимопроникновение каналов, дБ |
-87.7 |
Отлично |
|
Интермодуляция на 10 кГц, % |
0.01 |
Очень хорошо |
|
Общая оценка |
|
Очень хорошо |
Режим работы 24-bit, 192 kHz
|
Параметр |
Значение |
Оценка |
|
Неравномерность АЧХ (в диапазоне 40 Гц – 15 кГц), дБ |
+0.1, -0.89 |
Хорошо |
|
Уровень шума, дБ(А) |
-91.9 |
Очень хорошо |
|
Динамический диапазон, дБ(А) |
90.6 |
Очень хорошо |
|
Гармонические искажения, % |
0.0017 |
Отлично |
|
Интермодуляционное искажение + шум, % |
0.0079 |
Отлично |
|
Взаимопроникновение каналов, дБ |
-84.1 |
Очень хорошо |
|
Интермодуляция на 10 кГц, % |
0.008 |
Очень хорошо |
|
Общая оценка |
|
Очень хорошо |
Аудиокодек Realtek ALC897 показывает хорошие результаты – да, они немного ниже, чем у ALC4080 в составе "Томагавков", но для абсолютного большинства пользователей такого качества звучания будет вполне достаточно.
ПЗ MSI Center
Владелец тестируемой платы имеет возможность установить ПО MSI Center, позволяющее управлять функциями на основе ИИ, осуществлять мониторинг ряда системных параметров, выбрать один из трех сценариев использования или настроить собственный, настраивать подсветку подключенных комплектующих и работу вентиляторов, обновлять драйверы и BIOS.
Итоги
Материнская плата MSI MAG X870E GAMING MAX WIFI сочетает топовый чипсет с достаточно широким набором функций и одновременно остается относительно доступной.
Не удивительно, что в отдельных деталях она уступает моделям уровня Tomahawk. Здесь предусмотрен только один радиатор для M.2, используется немного более простая подсистема VRM, имеется меньшее количество портов, а также установлен более доступный аудиокодек. С другой стороны, имеющиеся три слота M.2 удовлетворят потребности большинства пользователей, а 12 фаз питания уверенно справляются с подачей до 180 Вт на процессор с очень низким нагревом транзисторов и дросселей. В то же время среди интерфейсов присутствуют современные USB4 и USB 3.2 Gen 2x2, которые отсутствуют в «Томагавке» на основе AMD B850, а аудиокодек Realtek ALC897 все еще оценивается на уровне «очень хорошо».
Кроме того, экономия прослеживается и в отдельных аспектах, которые пользователь может и вовсе не ощутить: охлаждение SSD-накопителя в слоте M.2 PCIe 5.0 реализовано только сверху, а внутренний порт USB ограничен стандартом Gen 2. Поэтому если корпус не оборудован фронтальным USB 3.2 Gen 2x2, а скоростной незаметными.
В итоге, если вы ищете платформу на базе флагманского AMD X870E с хорошим балансом цены и функциональности, MSI MAG X870E GAMING MAX WIFI выглядит как поистине удачный выбор для сборки без переплаты.
Достоинства:
- 12+2+1-фазная подсистема питания процессора и качественная элементная база;
- эффективное охлаждение;
- возможности разгона процессора и памяти;
- усиленный слот для видеокарты с поддержкой шины PCI Express 5.0 и механизмом быстрого извлечения;
- возможность установки до 256 ГБ ОЗУ со скоростью до 8200+ МТ/с;
- поддержка трех слотов M.2 Socket 3, в том числе одного PCIe 5.0;
- 5-гигабитный LAN-контроллер;
- модуль беспроводных интерфейсов Wi-Fi 7 и Bluetooth 5.4;
- возможность обновления BIOS с помощью кнопки "BIOS FlashBack" на интерфейсной панели;
- четыре колодки для реализации подсветки;
- восемь коннекторов для подключения вентиляторов и СЖО;
- достаточно качественная аудио подсистема;
- широкий набор портов на интерфейсной панели, включая USB4 и USB 3.2 Gen 2x2;
- наличие диагностических индикаторов;
- очень доступная стоимость по сравнению с другими моделями на основе AMD X870E.
Особенности:
- определенные ограничения при использовании процессоров Ryzen 8000;
- SSD-накопитель в слоте M.2 PCIe 5.0 охлаждается только сверху.
Автор: Олесь Пахолок
Выражаем благодарность компании MSI за предоставленную для тестирования материнскую плату.
Опубликовано : 21-04-2026
| Подписаться на наши каналы | |||||
|
|
|
|
||

















































